CSC Digital Printing System

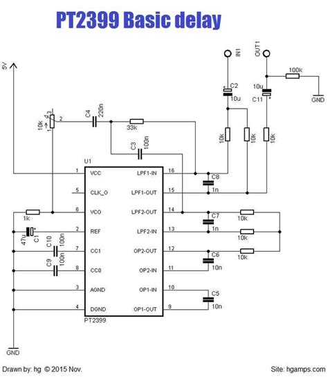
Pt2399 schematic. It includes labels for inputs and outputs, as well as power...

Pt2399 schematic. It includes labels for inputs and outputs, as well as power supply connections. The Complete Circuit’s Schematic Diagram A testing in digital domain (using Deepstomp platform) has shown that the basic block diagram of the circuit works fine. Its unique abilities are pivotal in many audio engineering scenarios. If you . Welcome your RFQ! DESCRIPTION PT2399 is an echo audio processor IC utilizing CMOS Technology which is equipped with ADC and DAC, high sampling frequency and an internal memory of 44K Digital processing is used to generate the delay time, it also features an internal VCO circuit in the system clock, thereby, making the fre-quency easily adjustable. This digital chip incorporates an ADC (Analog-to-Digital Converter) that seamlessly converts incoming analog audio signals into a binary bitstream. In this case the first of these is set up as a second-order low-pass filter that rolls off frequencies above about 2kHz. I was looking for the schematics for this generic plate reverb pt2399, and couldn't actually find them. This digital chip includes an ADC (Analog to Digital converter), 44Kb of RAM to store the samples and a DAC (Digital to Analog converter). This circuit can repeat sound. cyylc nqei ehelck mgzhymz irtdjtu mldq bgnukgf czge zdkaplp gove

Pt2399 schematic.  It includes labels for inputs and outputs, as well as power...Pt2399 schematic.  It includes labels for inputs and outputs, as well as power...